DC24V Power
High reliability, long lifespan
PWM을 지원합니다, RS485, CAN communication
Large 38mm barb inlet/outlet for high flow
Wide temperature range: -40'C to 125°C
Suitable for deionized water, coolant, glycol solutions
Home » Brushless Water Pumps » Brushless Water Pump: CJ0324459802
DC24V Power
High reliability, long lifespan
PWM을 지원합니다, RS485, CAN communication
Large 38mm barb inlet/outlet for high flow
Wide temperature range: -40'C to 125°C
Suitable for deionized water, coolant, glycol solutions
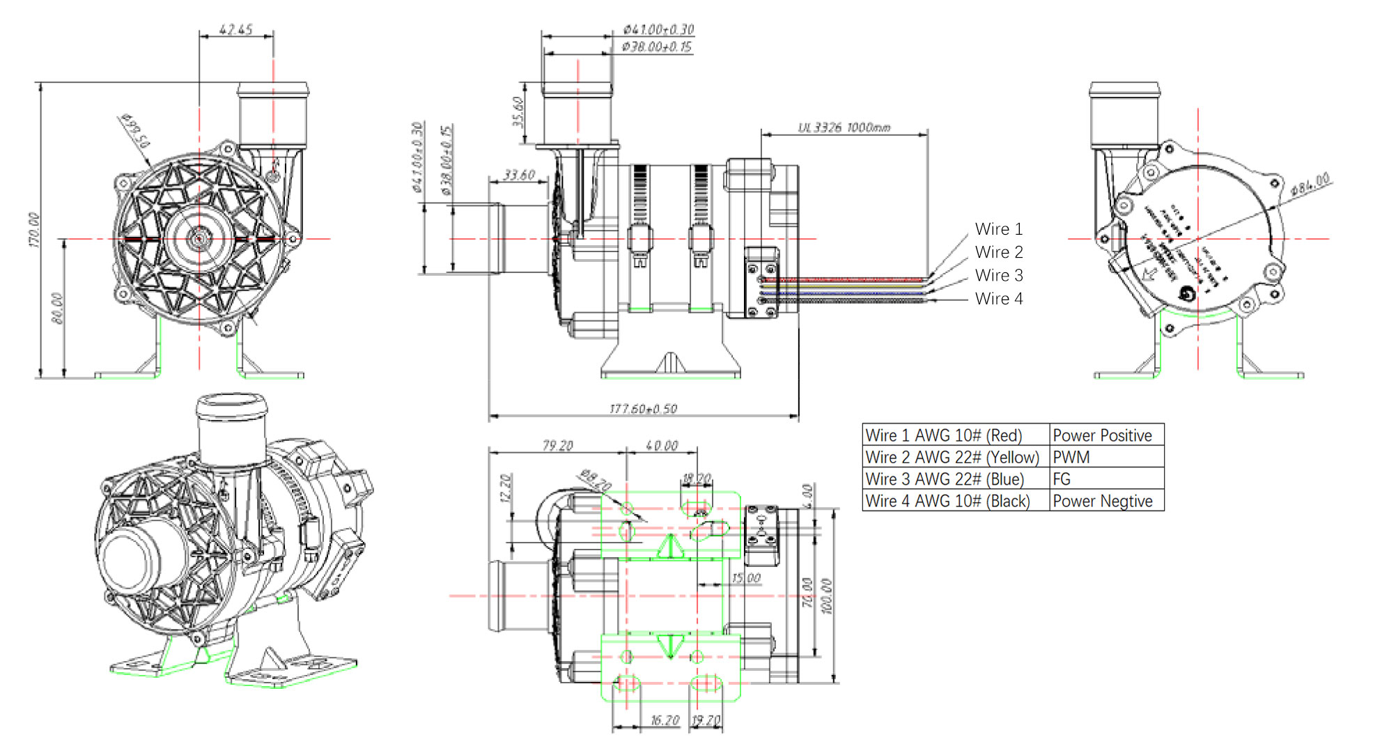
| Product Name | Electronic Water Pump |
|---|---|
| Model | CJ0324459802 |
| Product weight | 3kg |
| Lifetime | ≥15000 hours |
| Rated voltage | 24V DC |
| Rated current | 20.8±10% A (Maximum flow the pump can achieve at rated voltage) |
| Working voltage range | 16-30V DC (Pump works fine in this range) |
| Input power | 500W (@max flow rate) |
| Maximum flow | 98±15%L/min (Maximum flow the pump can achieve at rated voltage) |
| Maximum head | 45±2m (Maximum head the pump can achieve at rated voltage) |
| Maximum current | 22A (When overloaded) |
| Color | Black |
| Environtemal protection level | Comply with Rohs |
| Frame material | PPS/ADC12 |
| 소음 | ≤40dBA(at a distance of 1 meter from the pump, the background noise is ≤20dBA) |
| Protection level | IP67 |
| Insulation class | Class F(155℃) |
| Working principle | Centrifugal pump |
Herays는 고품질을 전문으로하는 신뢰할 수있는 제조업체입니다, 신뢰성을 위해 설계된 에너지 효율적인 팬 및 워터 펌프, 유지 보수가 적습니다, 오래 지속되는 성능.

Copyright © Herays. 모든 권리 보유.
우리는 당신에게 돌아갈 것입니다 24 시간.